ME 102: Foundations of Product Realization
Reinventing the Archimedes Screw
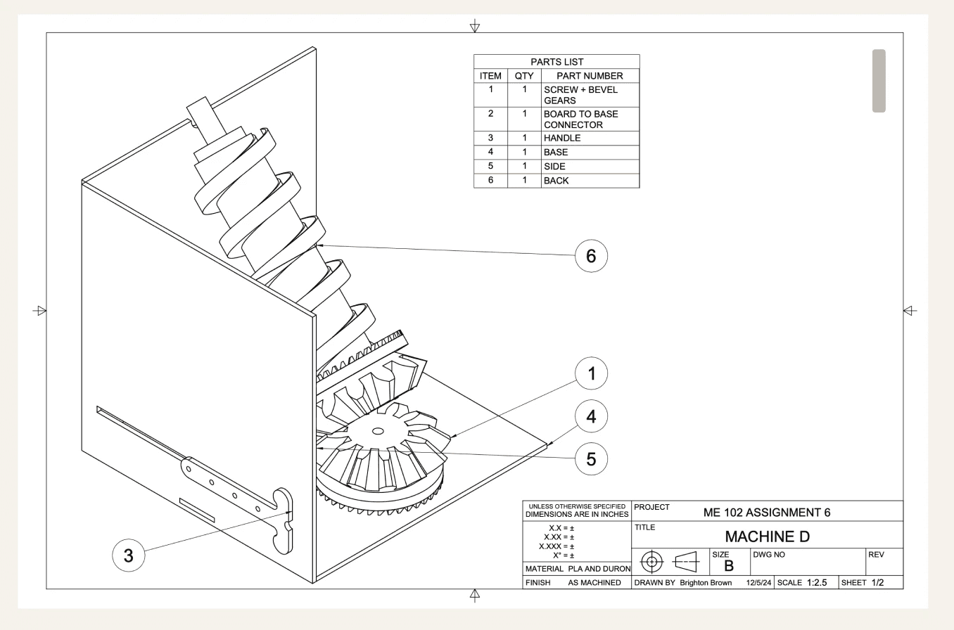
Developed skills in mechanical design, iterative prototyping, and force-motion analysis by redesigning the Archimedes Screw to transport marbles effectively.

Project Brief.
The assignment required creating a functional mechanism inspired by the Archimedes Screw, scaled to transport marbles, while integrating two distinct forces and motions into the design.
Learnings.
Although the machine did not function properly, I learned so much during the project, mainly the full ideation, prototyping to realization process.
For the machine to function, I would greaty reduce the weight of the printed parts. I would also make more precise hardware placement directly into the design instead of estimating it.
Process.
Began ideation process with MEDGI: Mapping, Educing, Disrupting, Gestalting, Integrating.

Began by mapping the original Archimedes Screw and its purpose. Then, educed the major pain point to be addressed — the handle motion and its variable delivery of power to the screw. Disrupted the current state by proposing a dial that could sent the marble up in one wind up. In the gestalting step, the details were sketched into a new screw.

Integrated engineering drawing shows force from pulling the handle translates linear motion to a spring powered rotary motion that propels the bevel gears to send the marble up the screw.

Final Machine.

Final Machine (side).
Process (behind the scenes).

Original machine prototype, lacked sufficient translation between two distinct forces and motions.

Prototype for the ratchet and pinion gear.
